Поиск по сайту:

 


По базе:  

микроэлектроника, микросхема, микроконтроллер, память, msp430, MSP430, Atmel, Maxim, LCD, hd44780, t6963, sed1335, SED1335, mega128, avr, mega128  
  Главная страница > Применение > Микроконтроллеров > AVR




AVR1017

AVR микроконтроллеры XMEGA – рекомендации по проектированию USB устройств

Основные вопросы:

  • Соответствие стандарту USB2.0
      - Целостность сигнала
      - Потребляемая мощность
      - Обратное напряжение
      - Пусковый ток
  • Электромагнитная совместимость (EMC/EMI)
  • Рекомендации по проектированию печатной платы
  • Типовые схемы питания

Введение

Микроконтроллеры семейства AVR XMEGA компании ATMEL позволяют легко реализовать USB интерфейс. Однако, для проектирования устройств, полностью соответствующих спецификации USB, следует ознакомиться с некоторыми вопросами.

Этот документ знакомит с рядом рекомендаций, которые охватывают следующие технические вопросы:

  • Соответствие электрическим требованиям USB 2.0 full speed и low speed
  • EFTB (импульсные и переходные помехи)
  • Электромагнитная совместимость

Этот документ написан в помощь инженерам-конструкторам, которые знакомы с архитектурой микроконтроллеров AVR XMEGA. Так же необходимо знание основных требований протокола USB 2.0 (www.usb.org)

2. Список сокращений

    USB: Universal Serial Bus – Универсальная последовательная шина
    USB IF: USB Implementation Forum – некоммерческая организация, продвигающая протокол USB
    FS: USB Full Speed – полноскоростной режим (12 Мбит/с)
    LS: USB Low Speed – низкоскоростной режим (1.5 Мбит/с)
    HS: USB High Speed – высокоскоростной режим (480 Мбит/с)
    PCB: Printed Circuit Board – печатная плата
    EFTB: Electrical Fast Transient Burst – импульсные и переходные помехи
    DP or D+: Data Plus differential line – дифференциальная линия Data Plus
    DM or D-: Data Minus differential line – дифференциальная линия Data Minus
    DFLL: Digital Frequency Locked Loop – цифровая автоподстройка частоты
    BOM: Bill Of Materials – спецификация материалов и компонентов

3. Общие требования к аппаратной реализации USB интерфейса

USB интерфейс включает дифференциальную пару линий данных (DP и DM) и линии шины питания (VBUS и GND).

Напряжение VBUS составляет 5 В и используется, при необходимости, для питания присоединяемых устройств.

Напряжение дифференциальной пары (DP/DM) для полноскоростных (FS) и низкоскоростных (LS) устройств составляет 3.3 В, в то время как для высокоскоростных (HS) устройств необходимо более низкое напряжение. В этом документе не рассматривается режим HS, так как в архитектуре XMEGA реализованы только FS и LS модули USB. Напряжение дифференциальной пары 3.3 В в режимах FS и LS находится в диапазоне напряжения питания микроконтроллеров XMEGA. Соответственно, для работы USB модуля, напряжение питания микроконтроллера должно составлять 3.3 В.

3.1. Схемы питания

В соответствии со спецификацией USB протокола, USB устройства делятся на две категории по методу питания — устройства с питанием от собственного источника (self-powered) и устройства с питанием от шины USB (bus-powered).

3.1.1 Устройства с собственным источником питания

Устройства, работающие от собственного источника питания ни при каких режимах работы не допускают потребление тока с шины USB интерфейса.

3.1.2. Устройства с питанием от шины USB

Устройства с питанием от шины USB используют в качестве источника питания 5-вольтовую линию VBUS шины USB интерфейса. Максимально допустимый ток потребления определяется режимом работы USB интерфейса.

3.1.2.1 Режим приостановки (Suspend Mode)

В любой момент времени хост контроллер USB может принять решение о переходе в экономичный режим (режим сна или ожидания) с целью снижения потребляемой мощности. Общий ток потребления устройства в этом режиме не должен превышать 2.5 мА.

Для этого схема устройства должна иметь возможность:

  • уменьшить количество подключений к шине питания
  • минимизировать или полностью отключить питание светодиодов
  • снизить мощность потребления внешних компонентов (используя сигналы выбора микросхемы (CS) и перехода в малопотребляющий режим, а также отключением неиспользуемых источников питания)

Примечание: При расчете тока потребления в экономичном режиме, обратите внимание, что линии DP и DM шины USB должны оставаться в активном состоянии.

3.1.2.2 Рабочий режим (Operating Mode)

Максимальное значение тока, которое USB устройство может потреблять от линии VBUS, определяется типом устройства и его состоянием. Не допускается потребление тока более 100 мА до полной инициализации (enumeration process) устройства. Максимально допустимый ток потребления устройства устанавливается в процессе его инициализации. Ток нагрузки устанавливается в диапазоне 0...100 мА для устройств с низким потреблением (low-power) и 0...500 мА для устройств с высоким потреблением (high-power) мощности.

3.1.3. Пусковый ток

В спецификации USB 2.0 указано: «максимальная емкость (СRPB), которая может быть подключена к выходному концу кабеля параллельно с одной модульной нагрузкой 100 мА (one unit load) составляет 10 мкФ. Эта емкость представляет собой шунтирующий конденсатор, подключенный к линии VBUS в устройстве, плюс все паразитные емкости между источником питания и устройством». Таким образом, максимальная емкость, которая может быть подключена к линии VBUS не может превышать 10 мкФ, что составляет примерно 50 мкКл.

Из документов USB IF: «Пусковый ток измеряется в течении 100 мсек после момента подключения. Подключение определяется, как момент соединения клемм VBUS и «земля» вилки и розетки. Все случаи превышения тока сверх 100 мА в течении 100 мсек рассматриваются как части процесса возникновения пускового тока. Процесс пускового тока делится на участки. Участком называется интервал в котором ток превышает 100 мА в течение не менее 100 мксек. Таких участков во время 100 мсек может быть несколько. Соответствие или несоответствие определяется по региону с максимальным зарядом»

Измерение тока подключения USB
Рисунок 3.1. Измерение тока подключения

Для более подробного ознакомления с требованиями к пусковому току следует обращаться на сайт USB-IF, на страницу с последними изменениями. (http://compliance.usb.org)

3.1.4. Обратное напряжение

Устройства с собственным источником питания (self-powered) могут функционировать неподключенными к шине USB или не использовать USB интерфейс. В спецификации USB сказано, что на линиях DP, DM или VBUS не должно быть никакого напряжения, пока устройство не подключено к шине USB. Следовательно, устройство с автономным питанием должно иметь механизм определения состояния подключения к шине (через контроль сигнала VBUS) для исключения некорректного подключения подтягивающих резисторов к линиям DP и DM.

3.2. Целостность сигнала.

Электрические требования полноскоростного режима работы USB (full-speed) требуют применения некоторых мер для обеспечения целостности сигнала.

Низкое качество сигнала может привести к неправильному функционированию USB устройства и несовместимости с требованиями USB.

Во время проведения сертификации, качество USB сигнала измеряется с помощью «глазковой» диаграммы. На рисунке 3.2 показаны правильная (соответствующая USB) и неправильная «глазковые» диаграммы. Одними из причин низкого качества сигнала могут быть неправильное проектирование печатной платы или несогласование волновых сопротивлений дифференциальных линий USB.

3.2.1. «Разводка» печатной платы USB.

Волновое сопротивление дифференциальной пары составляет 90 Ом между линиями и 45 Ом между линией и землей и может потребовать подключения согласующих резисторов к окончаниям линии. Эти согласующие резисторы есть в устройствах ATXMEGA. Для обеспечения высокого качества сигнала, линии DP и DM должны быть расположены как можно ближе друг к другу на печатной плате:

  • для уменьшения отражений, волновое сопротивление дифференциальной пары должно быть согласовано
  • дорожки дифференциальной пары на печатной плате должны быть одинаковыми и иметь одинаковую длину, количество переходных отверстий и т.д.
  • дорожки должны быть размещены максимально параллельно с минимальным количеством поворотов и переходных отверстий.

Типовая схема печатной платы USB
Рисунок 3.3. Типовая схема печатной платы USB.

На рисунке: Разъем USB, RC – фильтр между экраном и землей, ограничитель перенапряжений, дифференциальная пара USB

3.2.2. Выбор источника тактового сигнала.

В полноскоростном режиме, при скорости 12 Мбит/с требуется 0,25% точность сигнала. Кроме этого механизм восстановления данных требует 4-кратной внутренней передискретизации (oversampling). Таким образом, устройство должно иметь возможность генерации точного сигнала частотой 48 МГц. Для обеспечения качества сигнала, в устройствах ATMEL AVR ATXMEGA предусмотрены различные способы для формирования сигнала с частотой 48 МГц:

  • внешний кварцевый резонатор и встроенный ФАПЧ
  • встроенный RC – генератор

Наиболее удобным способом является использование встроенного RC – генератора на 32 МГц, настроенного на 48 МГц. Для достижения точности в 0,25%, встроенный RC – генератор должен быть откалиброван с использованием встроенного цифрового ФАПЧ. Это решение позволяет снизить стоимость покупных компонентов (не требуется внешний кварцевый резонатор)

Примечание: USB модуль микроконтроллеров AVR ATXMEGA требует, чтобы частота контроллера составляла, как минимум, 12 МГц для возможности приема/передачи данных. Убедитесь, что системная частота микроконтроллера (system clock) составляет, как минимум 12 МГц при использовании модуля USB. Эта частота может быть выключена при переводе USB в режим приостановки.

3.3 Подключение к шине.

3.3.1. Типы соединителей.

USB устройство может быть подключено к USB хосту с использованием кабеля с вилкой (captive cable) или USB – кабеля и установленного коннектора.

USB спецификация определяет, что USB устройство может иметь один и только один из ниже перечисленных разъемов:

USB устройство может иметь один и только один из перечисленных разъемов

При подаче заявки на сертификацию USB устройства, убедитесь, что используете сертифицированный USB разъем из списка USB-IF. Информация о сертифицированных разъемах USB может быть найдена на соответствующей странице USB-IF (www.usb.org/kcompliance/view)

Применяйте экранированный кабель при использовании кабеля с вилкой (captive cable) в режиме FS и не превышайте длину кабеля 1,5 метра в режиме LS.

3.3.2. Защита от электростатических разрядов

USB устройства могут использоваться без защиты от влияния внешней среды и могут подвергнуться действию разрядов статического электричества.

Несмотря на встроенные в микроконтроллеры ATXMEGA средства защиты от электростатических разрядов рекомендуется усилить защиту линий DP, DM и VBUS используя предназначенные для этого ограничители перенапряжений. Для того, чтобы сократить путь разряда и снизить влияние разряда на всю систему эти ограничители должны быть расположены максимально близко от разъема USB интерфейса.

Типовая схема защиты от разрядов статического электричества
Рисунок 3.4. Типовая схема защиты от разрядов статического электричества.

На рисунке: ограничители перенапряжений

Ограничители перенапряжений могут быть как дискретными компонентами, так и специализированными интегральными схемами защиты USB интерфейса.

3.3.3. Электромагнитная совместимость.

Следует обратить внимание на подключение экрана USB FS кабеля к плате устройства. Особое внимание должно быть уделено соединению между землей платы и экраном кабеля и коннектора. Непосредственное подключение экрана к земле платы создаст прямое соединение с земли платы на экран кабеля и превратит USB кабель в антенну. Для уменьшения антенного эффекта кабеля USB рекомендуется производить подключение экрана кабеля к земле платы через RC фильтр, как показано на рисунке 3.5. Типовые значения: R = 1 МОм, С = 4.7 нФ.

Типовая схема соединения экрана и земли платы
Рисунок 3.5. Типовая схема соединения экрана и земли платы.

На рисунке: экран кабеля и коннектора, RC-фильтр между землей и экраном, земля платы

4. Типовые USB решения на базе микроконтроллеров XMEGA.

Микроконтроллеры XMEGA со встроенным модулем USB обеспечивают высокую легкость реализации USB соединения благодаря минимальному числу необходимых внешних компонентов:

  • имеются встроенные согласующие резисторы
  • имеются встроенные подтягивающие резисторы
  • не требуется внешний кварцевый резонатор, так как микроконтроллеры XMEGA позволяют реализовывать полноскоростные (FS) и низкоскоростные (LS) соединения с использованием внутреннего RC генератора.

4.1. Требования к источнику питания

Рабочее напряжение дифференциальной пары USB, как правило, составляет 3.3 В, соответственно микроконтроллер должен работать при напряжении питания VCC = 3.3 В.

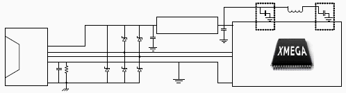
4.2. Питание от шины USB (bus-powered).

При проектировании USB устройств с питанием от шины USB, управление питанием является очень важным. Микроконтроллеры XMEGA имеют много энергосберегающих режимов работы для достижения минимального потребления мощности. Тем не менее, следует внимательно подойти к вопросу выбора внешних компонентов. В соответствии с вышеизложенным, устройства с питанием от шины используют 5-вольтовую линию VBUS для питания всего подключенного устройства. Для формирования напряжения питания 3.3 В для микроконтроллера следует применять регулятор с низком падением напряжения. При выборе регулятора убедитесь, что ток покоя не будет занимать существенную часть всего потребления в 2.5 мА в режиме приостановки.

Схема соединений при питании от шины USB
Рисунок 4.1. Схема соединений при питании от шины USB.

4.3. Обнаружение сигнала VBUS при работе от собственного источника питания.

Устройства с автономным питанием должны иметь возможность обнаружения сигнала VBUS для определения состояния соединения. Для этого можно использовать резисторный делитель напряжения.

Схема соединений при автономном питании
Рисунок 4.2. Схема соединений при автономном питании.

5. Выводы.

За последние годы, USB стал стандартным и простым в использовании интерфейсом. Микроконтроллеры XMEGA представляют собой эффективное решение для встраивания USB в различные приложения. Однако проектирование устройств, которые полностью соответствуют спецификации USB требуют внимательного отношения к некоторым вопросам. В таблице 5.1 приведены технические вопросы и их возможные решения.

Таблица 5.1.

Вопрос Рекомендации
Управление питанием
  • Используйте соответствующий режим снижения потребляемой мощности в режиме приостановки
  • Используйте регулятор с низким током покоя
  • Снижайте потребление всех внешних компонентов (светодиоды, подтягивающие резисторы, используйте сигнал выбор кристалла и т.д.)
Целостность сигнала
  • Используйте сертифицированные коннекторы и кабели
  • Правильная разводка дифференциальной пары
  • Правильный выбор задающего генератора
  • Качественный источник питания
Защита от электростатического разряда (ESD)
  • Ограничители перенапряжений на линиях VBUS, DP и DM установленные вблизи коннектора USB
Электромагнитная совместимость (EMC)
  • Отсутствие прямого соединения между экраном и землей платы
Пусковый ток
  • Максимальная емкость нагрузки подключаемой к VBUS не должна превышать 10 мкФ
Обратное напряжение
  • Обнаружение сигнала VBUS для определения момента подключения

Исходный документ:

  334 Kb Eng Atmel AVR1017: XMEGA - USB Hardware Design Recommendations

Параметрический поиск микроконтроллеров серии XMEGA:

  RUS микроконтроллеры семкйства XMEGA





 
Впервые? | Реклама на сайте | О проекте | Карта портала
тел. редакции: +7 (995) 900 6254. e-mail:info@eust.ru
©1998-2023 Рынок Микроэлектроники