Поиск по сайту:

 


По базе:  

микроэлектроника, микросхема, микроконтроллер, память, msp430, MSP430, Atmel, Maxim, LCD, hd44780, t6963, sed1335, SED1335, mega128, avr, mega128  
  Главная страница > Статьи > Компоненты фирмы IR




В.Башкиров

Новая серия микросхем драйверов компании International Rectifier для электронных балластов

Разработав несколько лет назад и первой выпустив на рынок электронных компонентов интегральные микросхемы автогенераторных драйверов IR2155 и IR2151 компания International Rectifier предопределила создание целого поколения высокоэкономичных и надежных электронных балластов (электронных пускорегулирующих аппаратов) для ламп различных типов. Пришедший на смену им популярный драйвер IR2153 позволяет создавать электронные балласты, удовлетворяющие современным и перспективным требованиям.

Развивая системный подход к проблеме проектирования электронных балластов, заключающийся в том чтобы предоставить будущему заказчику как можно более полное техническое решение, компания International Rectifier создала семейство микросхем драйверов, включающее помимо драйвера IR2153 специализированные интегральные микросхемы драйверов-контроллеров электронных балластов IR2157 и IR2159.

Общим для этих микросхем является наличие высоковольтного мощного драйвера затворов верхнего и нижнего полевых (или IGBT) ключей, включенных по полумостовой схеме, наличие программируемого внешними цепями таймера и питание непосредственно от сетевой шины . Все драйверы выпускаются в корпусах DIP и SOIC. Различаются они между собой набором реализуемых функциональных возможностей.

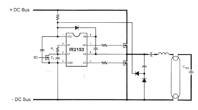
Драйвер IR2153 - самый простой из перечисленных выше. Помимо электронных балластов может быть применен при конструировании простых сетевых вторичных источников питания. Частота генерации устанавливается времязадающей цепью Ct, Rt (Рис.1) и выбирается по формуле:
f = 1
-----------------------
1,4 Ct (Rt + 75 Ом)

Автоматически устанавливается скважность колебаний 50% и пауза 1,2 мкс между включениями верхнего и нижнего ключей. Драйвер обеспечивает в затворах верхнего и нижнего ключей соттветствено 200 и 400 мА. Включение и отключение драйвера может быть реализовано при помощи дополнительного маломощного полевого транзистора, подключаемого ко входам 3, 4 и управляемого микромощным сигналом выключения (SD).

Для облегчения проектирования электронных балластов на базе драйвера IR2153 компания International Rectifier разработала электронный балласт IRPLLNR1, удовлетворяющий всем перспективным требованиям, и предоставляет для использования без ограничений документацию на него.

Этот балласт предназначен для управления двумя люминесцентными лампами по 40Вт, обеспечивает устойчивую работу при напряжении сети переменного тока 90-255 В, высокий коэффициент мощности (0,99), низкий коэффициент гармоник (менее 15%), предварительный подогрев катода в течение 2 с, имеет рабочую частоту 40 кГц и обеспечивает защиту по перегреву, от выхода лампы из строя или при ее замене.

Рис. 1

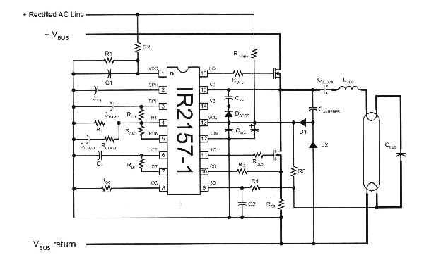
Контроллер электронных балластов IR2157 (Рис.2) предоставляет возможность наиболее простого схемотехнического решения и простую адаптацию при смене типа лампы. За счет исключения активных и пассивных элементов, выполнявших фунции управления режимами работы и защиты, число элементов электронного балласта может быть сокращено почти на 40% и , соответственно может быть уменьшена площадь печатной платы.

Все режимы работы и функции защиты программируются независимо внешними RC-цепями.

Конструкция IR2157 позволяет осуществлять следующие возможности:

  • оптимальные параметры режимов запуска, предварительного подогрева катода, зажигания , рабочего режима и автоматический переход из режима в режим,
  • программируемое время и частоту подогрева катода,
  • программируемое изменение параметров в режиме поджига,
  • программируемая пауза для защиты от сквозных токов в ключах,
  • ток в затворах ключей до 500 мА,
  • микромощное потребление в режиме запуска,
  • высокоточную стабилизацию 50% скважности,
  • контроль состояния и защиту нити лампы,
  • защиту от работы ниже резонанса,
  • защиту от работы при пониженном питании с автоматическим перезапуском,
  • защиту от выхода из строя и автоматический перезапуск при смене лампы,
  • защиту от тепловой перегрузки,
  • защиту от защелкивания для всех выводов,
  • защиту от электростатического разряда.

Рис. 2

Управление режимами работы микросхемы происходит следующим образом. Основным элементом IR2157 является управляемый генератор, рабочая частота которого задается цепью Rt, Ct а пауза цепью Rdt, Ct.

При подаче питания микросхема переходит в режим запуска. Питание микросхемы по входу Vcc (вход13) осуществляется выпрямленным напряжением сети переменного тока через резистор Rsupply. До тех пор пока напряжение на входе питания не превысит порога срабатывания (11,4 В) работа генератора блокируется и микросхема работает в режиме микромощного потребления, что позволяет использовать маломощные резисторы с большим номиналом . При превышении порога срабатывания запускается генератор, управляющий работой ключей полумостовой схемы. Частота колебаний в режиме пуска определяется номиналами параллельно соединенных резисторов Rph , Rstart, Rt в сочетании с номиналами емкостей Сstart, Ct, Rdt. Частота выбирается таким образом, чтобы исключить преждевременный поджиг лампы. При нарастании напряжения на конденсаторе Cstart до потенциала на входе Rt (2 В) частота колебаний экспоненциально уменьшается до частоты подогрева.

Во время режима подогрева частота генератора определяется паралельно соединенными резистором установки режима подогрева Rph и резистором Rt с учетом номиналов Ct, Rdt.

Частота подогрева выбирается так, чтобы обеспечить оптимальное соотношение 4,5/1 сопротивления подогретой и холодной нитей накала. Время подогрева определяется временем заряда током 1 МкА конденсатора подогрева Cph до потенциала 4В при котором происходит срабатывание внутренней защелки.

В момент завершения режима подогрева внутренний транзистор с открытым стоком, соединенный затвором со входом Rph выключается , напряжение на этом входе экспоненциально нарастает до напряжения на выводе Rt и микросхема переходит в режим управляемого поджига.

Во время этого режима частота генератора экспоненциально падает до минимальной величины. Скорость изменения частоты задается номиналом конденсатора Cramp и определяется постоянной времени RphCramp.

При нарастании напряжения на входе Cph до 5,15В включается, соединенный с этим входом затвором, внутренний транзистор с открытым стоком и микросхема переходит в рабочий режим. Частота в этом режиме определяется параллельно соединенными резисторами Rt, Rrun, что позволяет регулировать выходную мощность выбором номинала резистора Rrun.

Функции защиты реализуются в микросхеме следующим образом.

Блокировка работы при пониженном напряжении питания. При падении напряжения питания ниже разрешенного уровня срабатывает внутренний компаратор, соединенный со входом Vdc, и происходит выключение генератора. Это позволяет предотвратить переход транзисторов полумостовой схемы в режим жесткого переключения. Компаратор имеет гистерезис величиной 2В для предотвращения ложных срабатываний. При повышении напряжения питания до допустимой величины происходит повторный запуск балласта в описанной выше последовательности.

Контроль наличия лампы и автоматический перезапуск. Эта функция обеспечивается цепью R4, R5, C2 соединенной со входом отключения SD. При выходе лампы из строя или ее удалении в момент превышения напряжения на входе SD уровня 2В выключается генератор, на драйверах затворов транзисторов полумоста устанавливается низкий уровень и микросхема переходит в режим микромощного потребления. После замены лампы происходит автоматический перезапуск балласта в приведенной выше последовательности.

Контроль тока полумоста и его защита. Контролировать ток протекающий через транзистоы полумоста позволяет цепь R3, Rcs, Roc соединенная со входом обратной связи по току CS и входом установки уровня срабатывания OC. Роль датчика тока выполняет резистор Rcs. Вход CS используется для реализации таких функций защиты как отсутствие поджига, перегрузка по току, жесткое переключение, отсутствие нагрузки и работа ниже резонанса. В любой из этих аварийных ситуаций микросхема переходит в режим микромощного потребления в описанной выше последовательности.

На аварийные ситуации типа перегрузка по току, отсутствие поджига и режим жесткого переключения реагирует внутренняя защелка, используемая в режиме подогрева.

Уровень ее срабатывания программируется выбором номинала резистора Roc.

На аварийные ситуации типа недогрузка по току и режим работы ниже точки резонанса реагирует защелка используемая при переходе в рабочий режим.

Подробное описание работы микросхемы приводится в справочном листе и описании демонстрационного электронного балласта IR2157DB.

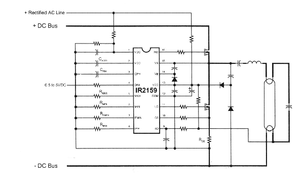
Интегральная микросхема контроллера IR2159 (Рис.3) является первой функционально законченной микросхемой для применения в балластах с регулировкой яркости. В этой микросхеме реализован новый метод управления мощностью на лампе без применения разделительного трансформатора. Фазовое управление током полумоста позволяет осуществлять линейное изменение яркости в широких пределах. Помимо режимов работы и функций защиты реализованных в микросхеме IR2157 эта микросхема позволяет регулировать яркость путем изменения напряжения на входе DIM в диапазоне от 0,5 до 5В и программировать минимальный и максимальный уровни яркости по входам MAX, MIN выбором номиналов резисторов Rmin, Rmax. Применение контроллера IR2159 дает возможность адаптировать балласты с постоянным уровнем мощности к режиму высококачественного регулирования мощности при внесении в его схему минимальных изменений.

Рис. 3

Таким образом специализированная серия микросхем драйверов-контроллеров IR2153, IR2157, IR2159 предоставляет возможность проектирования электронных балластов, удовлетворяющих всем перспективным требованиям при максимальной простоте конструкции.

Подробную техническую информацию по этим микросхемам и их применению можно получить у дистрибьюторов компании International Rectifier.

Борщ




 
Впервые? | Реклама на сайте | О проекте | Карта портала
тел. редакции: +7 (995) 900 6254. e-mail:info@eust.ru
©1998-2023 Рынок Микроэлектроники