Поиск по сайту:

 


По базе:  

микроэлектроника, микросхема, микроконтроллер, память, msp430, MSP430, Atmel, Maxim, LCD, hd44780, t6963, sed1335, SED1335, mega128, avr, mega128  
  Главная страница > Статьи > Компоненты фирмы IR




логотип фирмы IR

Джон Пэрри

Управление переменной частотой при использовании автогенераторных микросхем драйверов серии IR215x

Цель этой статьи

Практические приложения, такие как схемы высококачественных электронных балластов и источников питания, часто требуют непрерывного управления частотой генерации в пределах определенного диапазона. С другой стороны, может возникнуть необходимость динамичного переключения на одну из нескольких фиксированных частот при использовании цифрового управляющего сигнала. Как автогенераторные ИС управления серии IR215х так и гибридные схемы семейства IR5хHххх являются идеальными для использования в таких устройствах и обладают рядом преимуществ по сравнению с традиционными методами управления мостовыми ключевыми схемами. Эта статья описывает работу интегрального генератора и показывает, как простые методы и недорогая периферийная схемотехника могут быть использованы для управления переменной частотой генерации.

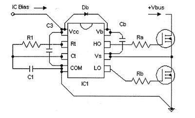
1.Работа типичной схемы с фиксированной частотой

В случае простейшей реализации, автогенераторная управляющая ИС соединена с одиночным резистором и времязадающим конденсатором по схеме, показанной на рис.1а. Эта схема обеспечивает 50% скважность и фиксированную частоту, определяемую выражением (1), в котором элемент 75 Ом обусловлен сопротивлением вывода Rt генератора. В последующих разделах этой статьи бутстрепные компоненты D1, Cb , силовые ключи и резисторы в цепях затворов Ra и Rb не рассматриваются для ясности. Рисунок 1б показывает формы сигналов при использовании драйвера IR2153. Вывод Rt - это источник напряжения, переключающегося между уровнями Vcc и Землей. Его потенциал уменьшается, когда напряжение на выводе Ct возрастает до уровня 2/3 Vcc и увеличивается, когда напряжение на выводе Ct падает до 1/3 Vcc. Отметим, что пороги переключения Ct установлены как фиксированные величины пропорциональные Vcc и определяются встроенным в ИС делителем .
f = 1 (1)
-------------------------
1.38 (R1 + 75) C1


IR215x в типовой схеме с фиксированной частотой

Формы сигналов IR2153

Рис 1а. IR215x в типовой схеме с фиксированной частотой

Рис 1б. Формы сигналов IR2153

2. Управление частотой переключения при использовании метода последовательного и параллельного подключения конденсаторов

2.1 Принцип работы

Одна из двух или более рабочих частот может быть легко выбрана при использовании любой из схем, обсуждаемых в разделах 2.2 и 2.3. В обоих случаях, маломощный NPN транзистор используется для добавления или шунтирования одного или двух конденсаторов соединенных последовательно или параллельно. Это приводит к изменению частоты генерации из-за изменения эффективной емкости, приложенной к выводу Ct ИС.

2.2.Переключение параллельного конденсатора

Схема на рис. 2а показывает как маломощный транзистор может быть задействован для подключения вспомогательного конденсатора по команде. Когда транзистор находится в выключенном состоянии, диод D1 заблокирован и конденсатор C2 отключен от схемы, и частота генератора высока. Когда транзистор Q1 включен, он обеспечивает ток заряда конденсатора C1, а через диод D1 обеспечивается разряд. Следствием этого является подключение конденсатора C2 параллельно С1, увеличинение емкость, присоединенной к выводу Ct, и снижение частоты генерации. Резисторы R2 и R3 должны быть выбраны так, чтобы транзистор Q1 был в насыщении, когда уровень напряжения на входе " f2 select" высокий. Деление управляющего сигнала в этих пределах рекомендуется производить с помощью резистора в базе Q1, потому что в этом случае улучшается устойчивость к помехам управляющего сигнала. Это особенно важно в случаях когда шина нулевого потенциала управляющего сигнала находится далеко от вывода COM ИС1. Стоит обратить внимание на звездообразное подключение к точке COM.

Подключение  параллельного конденсатора

Рис 2а. Подключение параллельного конденсатора

2.3. Шунтирование последовательного конденсатора

Схема на рис. 2б показывает как маломощный транзистор может быть задействован для шунтирования одного из двух последовательно включенных конденсаторов. Когда транзистор находится в выключенном состоянии, диод D1 блокирован и времязадающие конденсаторы C1 и C2 соединены последовательно, и частота переключения высока. Во включенном состоянии, транзистор проводит ток заряда конденсатора C1, а диод D1 обеспечивает путь тока разряда. Это эффективно блокирует влияние конденсатора C2 на работу схемы, увеличивая емкость приложенную к выводу Ct и снижая частоту переключения. Резисторы R1 и R3 должны быть выбраны так, чтобы транзистор Q1 был в насыщении когда напряжение на входе "f2 select" высокое. Отметим звездообразное подключение к точке COM.

Шунтирование последовательного конденсатора

Рис 2б. Шунтирование последовательного конденсатора

2.4. Модификация схемы

Если это необходимо, диод и биполярный транзистор могут быть заменены одним N - канальным МОП ПТ, так как его интегральный диод будет выполнять функцию диода D1. В этом случае может быть необходимо учитывать выходную емкость ( Coss) ключа, находящегося в выключенном состоянии. Выходная емкость МОП ПТ имеет максимальное значение при небольшом напряжении сток-исток, так что для данного применения предпочтительно выбирать наименьший из доступных транзисторов.

Если используется маломощный биполярный транзистор, как показано в предлагаемых схемах , выходной емкостью ключа обычно можно пренебречь.

В случае необходимости, для обеспечения требуемого количества рабочих частот, могут быть применены различные комбинации схем с последовательным и параллельным подключением.

Зависимость скорости изменения частоты от параметров транзистора

Рис 2в. Зависимость скорости изменения частоты от параметров транзистора

2.5. Ограничения для схем с переключением конденсатора

2.5.1. Повторяемость

Как метод последовательного соединения так и метод параллельного соединения дают хорошие результаты, если должно быть обеспечено динамичное переключение на одну из двух различных частот генерации. Если же необходимо непрерывное изменение частоты переключения, появляются некоторые ограничения. Непрерывное изменение частоты при использовании любой из этих схем предполагает, что транзистор должен работать в линейном режиме в определенном диапазоне. Однако частота генератора в этом диапазоне является функцией как коэффициента усиления малого сигнала так и пороговых значений переключения , как это показано на рис2в. Подбор транзисторов или настройка могут помочь повысить повторяемость при серийном производстве, однако в общем случае ни одно из этих решений не является эффективным. В таких случаях непрерывное регулирование частоты путем управления опорным напряжением может быть предпочтительной альтернативой. Эта тема затронута в разделе 3.

2.5.2. Нарушения скважности и возможные эффекты

Во время изменения частоты, когда транзистор Q1 входит в линейный режим и частота начинает меняться, скважность выходного сигнала может временно отклоняться от номинальной величины 50 %. Это явление характерно для обеих схемам на рисунках 2а и 2б. Когда конденсатор С2 начинает подключаться или отключаться от схемы, среднее значение потенциала на конденсаторе С1 должен измениться, чтобы скомпенсировать увеличение или уменьшение среднего значения напряжения на конденсаторе С2. Необходимый для этого заряд может быть обеспечен только при неравенстве между временами включения и выключения на входе Rt, результатом чего является асимметрия сигнала на выводе Ct и последующее изменение скважности на выходе схемы. К счастью, этот эффект является времененным, и в типичном случае, когда номиналы времязадающих конденсаторов С1 и С2 или равны или близки по величине, девиация скважности будет минимальна и проявляется в течение всего нескольких циклов переключения.

Однако если разница между номиналами конденсаторов С1 и С2 велика, может потребоваться много циклов переключения, для того чтобы было восстановлено среднее значение напряжения на конденсаторе с большей емкостью и скважность вернулась к номинальному значению.

При работе полумостовой схемы изменение скважности вызывают изменение среднего напряжения на выходе таким же образом как в схемах с ШИМ.

Результатом этого является низкочастотный переходной процесс, наложенный на гораздо более высокую частоту переключения. Определенные типы нагрузок, такие как последовательные резонансные LС контуры, используемые в электронных балластах могут неблагоприятно реагировать на изменение результирующего напряжения, особенно если оно достаточно резкое. Если используется любой тип резонансной нагрузки, параметры схемы должны обеспечить начало работы в линейной области. Особенно тщательно необходимо проверять ток в магнитных компонентах на предмет их насыщения при работе в устройстве, эксплуатируемом при ожидаемой температуры эксплуатации.

3. Непрерывное управления частотой генерации методом регулирования опорного напряжения

Если частота генератора должна непрерывно регулироваться между двумя предельными значениями и программироваться сигналом внешнего источника напряжения, то может быть применим описываемый здесь метод. Общие положения его приведены ниже, а далее следует практическая схема.

3.1 Объяснение сущности метода регулирования опорного напряжения

3.1.1. Тестовая схема

Для понимания сущности метода рассмотри тестовую схему, изображенную на рисунке 3а. Эта схема предназначена только этой цели, и не предлагается как практическая реализация. Отметим, что нижняя обкладка времязадающего конденсатора С1 подсоединена к выходу генератора сигнала, вырабатывающего колебания прямоугольной формы.

Выход этого генератора (Va) синхронизирован по частоте и фазе с выводом Rt ИС1 и имеет размах сигнала от положительной величины V1 до отрицательной V2 по отношению к выводу СОМ. Напряжение на выходе генератора суммируется с потенциалом нижней обкладки конденсатора С1, таким образом мы можем рассматривать величину полного размаха Va как опорное напряжение Vos, где Vos=V1+(-V2). Такая схема обеспечивает формы сигналов, показанные на рис.3б.

3.1.2. Работа тестовой схемы

Предположим, что напряжение на выводе Rt имеет пренебрежимо малое время нарастания и убывания. Когда оно переключается на уровень Vcc, выход Va генератора немедленно "добавляет" напряжение Vos к нижней обкладке конденсатора С1 и, следовательно, потенциал, приложенный к выводу Сt также возрастает на величину Vos. Это снижает общий заряд (и время) необходимые для того, чтобы увеличить потенциал вывода Сt от уровня 1\3 Vcc до 2\3 Vcc - порога переключения, установленного внутри микросхемы ИС1. Когда напряжение на выводе Сt достигает верхнего порога, напряжение на выводе Rt немедленно переключается на уровень OV а выход генератора Va переключается от уровня V1(+) до уровня V2 (-). Разница (Voc ) в этом случае "вычитается" из потенциала нижней обкладки С1 и, следовательно, напряжения на выводе Сt . Опять же, снижается общий заряд, необходимый для перемещения уровня сигнала на выводе Сt между пороговыми напряжениями. Таким образом, частота генератора выше, чем могла бы быть при типичной RC конфигурации представленной на рисунке 1а. Более того, поскольку времена заряда и разряда практически одинаковы, скважность сигнала генератора остается равной 50%.

Тестовая схема

Форма выходных сигналов для схемы на рис 3а

Рис 3а. Тестовая схема

Рис 3б. Форма выходных сигналов для схемы на рис 3а

Формула (3) показывает, что рабочая частота есть функция как напряжения Vcc так и полного размаха опорного напряжения Voc. Несмотря на то, что в этом примере значения V1 и V2 равны, это не играет роли для корректного функционирования схемы, так как рабочая частота не зависит от смещения сигнала Va относительно нулевого значения.
f =    1    (3)
----------------------------------------------------
- 2C1 (R1 + 75) Ln [ Vcc ]
----------------------
2Vcc - 3Vos

3.2. Реализация регулирования опорного напряжения

На рис.3а, когда сигнал на выводе Rt имеет высокий уровень, генератор потребляет зарядный ток конденсатора С1 и удерживает потенциал Va=V1. Соответственно, когда уровень сигнала на выводе Rt низкий, генератор вырабатывает ток и поддерживает потенциал Va=V2. В обоих случаях генератор играет пассивную роль и служит только для задания опорного напряжения, приложенного к нижней обкладке конденсатора С1.

Это означает, что генератор, показанный на рис3а может быть сведен к простой биполярной схеме, изображенной на рис.3c. Рабочая частота зависит только от напряжений Vcc и Vos и, так как оба они могут управляться, то следовательно возможны некоторые вариации этой простой схемы.

Управление опорным напряжением

Рис 3в. Управление опорным напряжением. Эквивалентная схема для рис 3а

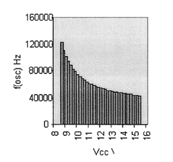
Установив в схему конкретные номиналы С1 и R1, можно построить зависимость изменения частоты переключения от Vcc, как показано на рис3e. Отметим, что переключения начинаются на высокой частоте, как только Vcc превысит порог защиты от падения напряжения ( UVLO+ ). По мере того, как Vcc продолжает расти, рабочая частота падает, пока встроенный в IR 2153 стабилитрон не предотвратит дальнейшие изменения Vcc. Может использоваться внешний стабилитрон для изменения уровня стабилизации Vcc и установки требуемой рабочей частоты.

Если Vcc растет предсказуемо, или может быть сделано так, то эта технология может быть широко использована как базовая для управления частотой переключения в электронных балластах с "горячим" запуском.

3.3. Управление частотой переключения с помощью регулирования Vcc

В схеме на рисунке 3d опорное напряжение зафиксировано с помощью маломощного стабилитрона ZD1, где Vos=Vz-(-0,6). При фиксации опорного напряжения таким образом, устанавливается зависимость между частотой генератора и Vcc так, что напряжение питания ИС служит еще и управляющим сигналом.

Управление частотой путем регулирования Vcc

Рис 3г. Управление частотой путем регулирования Vcc

Произвольно изменяя номиналы С1 и R1 и измеряя отклик генератора на изменение Vcc, можно построить зависимость , как это показано на рис3д. Отметим, что генерация начинается на высокой частоте, как только Vcc превысит верхний порог срабатывания схемы защиты от пониженного напряжения ( UVLO+ ). По мере того, как Vcc продолжает расти, рабочая частота падает, пока интегральный стабилитрон драйвера IR 2153 не предотвратит дальнейшие изменения Vcc. Может быть использован также внешний стабилитрон для изменения уровня стабилизации Vcc и установки требуемой рабочей частоты.

Если характер увеличения Vcc после начала работы происходит предусмотренным образом, или это может быть обеспечено, то эта техника может оказаться весьма полезной в качестве основы для управления частотой переключения в электронных балластах флуоресцентных ламп с предварительным подогревом.

Зависимость частоты от Vcc

Рис 3д. Зависимость частоты от Vcc

3.4. Управление частотой переключения путем регулирования Vos - простой нелинейный ГУН

Фиксирование Vcc и регулирование опорного напряжения также вызовет изменения частоты. Это позволяет сконструировать простой, нелинейный, управляемый напряжением генератор, используя схему рисунка 3е . В этом примере, отрицательное напряжение переключения V2 определяется прямым падением напряжением на диоде D1. Положительное напряжение переключения V1 устанавливается управляющим напряжением, приложенным к базе транзистора Q1 . Этот маломощный PNP транзистор включен по схеме эмитерного повторителя и обеспечивает достаточное усиление по току, что позволяет регулировать управляющее напряжение сигналом от сравнительно слабого источника. Конденсатор С2, подключенный между базой и коллектором транзисторм Q1, обеспечивает стабильный уровень напряжения переключения V1 и фильтрует помехи на управляющем входе. Конденсатор С2 должен иметь номинал порядка 100 пФ или менее. Если источник управляющего напряжения имеет низкий импеданс, то транзистор Q1 может быть заменен одиночным низковольтным кремниевым диодом такого же типа как и D1.

Управление частотой путем регулирования Vos

Рис 3е. Управление частотой путем регулирования Vos

Зависимость частоты от напряжения управление при регулировании Vos

Рис 3е1. Зависимость частоты от напряжения управление при регулировании Vos

3.5. Ограничения для схем с регулированием опорного напряжения

3.5.1. Ошибка по частоте вследствие нелинейности переключения

В идеальном случае двунаправленное переключение напряжения должно обеспечивать точную величину тока питания/потребления при переключении на уровнях V1/V2 безотносительно от величины протекающего тока, и обеспечивать бесконечный импеданс, однако на практике этого не происходит.

Хотя схожие ограничения будут присутствовать в некоторой степени при любой реализации схемы управления опорным напряжением, рассмотрим для примера, влияние таких неидеальностей стабилитрона, при использовании его для переключения в схеме на рис.3е , как :

  • диод будет проводить обратный ток утечки прежде достижения ограничения Зенера.
  • существует время восстановления при переходе из состояния как прямой так и обратной проводимости (их неравенство также изменит скважность ).
  • диод имеет малую эквивалентную параллельную емкость.
  • Как Vz так и порог прямой проводимости Vf зависят от температуры.
  • Эквивалентное последовательное сопротивление не равно нулю и , следовательно, V1 и V2 будут немного варьироваться вместе с токами заряда/разряда.

Ограничения a), b) и c) вызывают искажения формы сигнала Va в виде "округлений" и уменьшают dv/dt во время переходов напряжения на выводе Rt. Общий эффект - это внесение небольших ошибок в выражении (3), что приводит к уменьшению в изменении частоты для данного изменения в уровне Vcc. Тем не менее, могут быть предприняты некоторые шаги, чтобы улучшить результат. Весьма рекомендуется выбор маломощного стабилитрона с мощностью 250 мВт или меньше, что в общем случае может снизить ошибку в соотношени частота/Vcc до приемлемого уровня. С другой стороны, cтабилитрон может быть заменен некоторым количеством последовательно включенных маломощных кремниевых диодов, для получения требуемого порогового напряжения переключения путем суммирования прямых падений напряжений на переходах.

3.5.2 Ошибка по частоте вследствие изменениями порога переключения

В обоих реализациях управления опорным напряжением, описанных здесь, величины порогов переключения V1 и V2 определяют опорное напряжение Vos, которое совместно с Vcc определяет рабочую частоту. На практике, оба порога напряжения переключения будут немного варьироваться. Для этого случая, мы снова рассмотрим ограничения базирующейся на стабилитроне схемы на рис.3d , хотя нижеприведенные принципы одинаково применимы для любой реализации управления опорным напряжением.

Ограничения d) и e) вносят малые ошибки в выражение 3, хотя, так как температурные коэффициенты Vz и Vf вполне предсказуемы, общая частотная ошибка может быть легко вычислена. В общем случае, так как ток заряда/разряда очень низок, то последовательное сопротивление схемы смещения не вызывает существенной ошибки. Изменения тока утечки, обсужденные в п. 3.5.1. представляют собой более существенный источник ошибки.

3.5.3. Причины помех и требования к разводке печатных плат

Пороги переключения генератора определяются величиной Vcc по отношению к выводу СОМ. Так как вывод Сt чувствителен к помехам, все элементы схемы, соединенные прямо или косвенно с выводом Сt должны иметь соединения с Vcc либо СОМ узлами схемы. Дорожки печатной платы, используемые для этих целей не должны применяться для пропускания больших токов от нагрузки или других источников помех. Это особенно важно если используется управление частотой переключения методом регулирования опорного напряжения, так как пределы его устойчивости к помехам снижаются по мере того, как потенциал Vos возрастает по отношению к Vcc. Дорожки, идущие к общей точке схемы должны быть короткими и прямыми насколько это возможно.

Фаршированный перец

Оперативный подбор тура в Турцию среди множества вариантов




 
Впервые? | Реклама на сайте | О проекте | Карта портала
тел. редакции: +7 (995) 900 6254. e-mail:info@eust.ru
©1998-2023 Рынок Микроэлектроники