Поиск по сайту:

 


По базе:  

микроэлектроника, микросхема, микроконтроллер, память, msp430, MSP430, Atmel, Maxim, LCD, hd44780, t6963, sed1335, SED1335, mega128, avr, mega128  
  Главная страница > Статьи > Компоненты фирмы IR




логотип фирмы IR

Демонстрационная плата IR2157: линейный электронный балласт (ЭПРА) для 32Вт флуоресцентной лампы

Характеристики

  • Управляет одной 32 Вт лампой T8
  • Питание универсальное (~ 90-255 В)
  • Высокий коэффициент мощности (0.99) и низкий коэффициент гармоник (<15%)
  • Работа на высокой частоте (49 кГц)
  • Предварительный подогрев катодов
  • Защита от неисправностей лампы с автоматическим перезапуском
  • Высоковольтная микросхема драйвера-контроллера электронных балластов IR2157

Описание

Демонстрационная плата IR2157 - высокоэффективный электронный балласт с высоким коэффициентом мощности, фиксированным уровнем выходной мощности, разработанный для управления быстрым запуском флуоресцентных ламп. Устройство включает в себя сетевой фильтр, активный корректор мощности и схему управления электронным балластом с использованием драйвера IR2157.

Эта демонстрационная плата предназначена для облегчения освоения применения микросхемы IR2157 , предназначенной для управления электронными балластами, демонстрации топологии печатной платы и помощи при освоении серийного производства электронных балластов с использованием микросхемы International Rectifier IR2157.

Блок-схема электронного балласта

Электрические характеристики

Параметр Единицы измерения Значение
Тип лампы   F32T8
Входная мощность [Вт] 32
Входной ток [A, эффективный] 0.310
Частота в режиме подогрева [кГц] 53
Напряжение на лампе в режиме подогрева [В, эффективное] 150
Время подогрева [сек] 0.8
Частота пилообразного напряжения в режиме поджига [кГц] 40
Частота в рабочем режиме [кГц] 49
Рабочий ток лампы [А, эффективный] 0.15
Диапазон напряжения питания переменного тока [В, эффективное] 90..255/50..60 Гц
Диапазон напряжения питания постоянного тока [В] 100..350
Коэффициент мощности   0.99
Суммарный коэффициент гармоник [%] <15
Максимальное выходное напряжение [В] 600

Примечание: Измерения выполнены при эффективном напряжении питания переменного тока в сети 120 В.

Характеристики защиты от неисправностей

Неисправность Балласт Действие для повторного старта
Низкое напряжение в сети Отключается Увеличить напряжение в сети
Разрыв в цепи верхнего накального электрода Отключается Заменить лампу
Разрыв в цепи нижнего накального электрода Отключается Заменить лампу
Нет поджига Отключается Заменить лампу
Цепь разомкнута (нет лампы) Отключается Заменить лампу

Функциональное описание

Введение

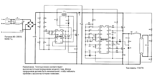
Демонстрационная плата IR2157 состоит из фильтра электромагнитных помех, узла активной коррекции коэффициента мощности, узла управления балластом и выходного узла обеспечения резонансного режима работы лампы. Узел активной коррекции коэффициента мощности представляет собой повыщающий конвертер, работающий в режиме нормируемой проводимости и режиме частоты свободных колебаний. Узел управления балластом обеспечивает управление модуляцией частоты резонансного RLC контура лампы и легко адаптируется к различным типам ламп. Узел управления балластом также содержит схемы, необходимые для определения неисправности лампы, отключения и автоматического возобновления работы. Все функциональные описания выполнены по принципиальной схеме демонстрационной платы IR2157.

Принципиальная схема демонстрационной платы IR2157

Перечень элементов
1 1 International Rectifier DF10S Мостовой выпрямитель, 1A 1000 В BR1
2 2 Roederstein F 1772433-2200 Конденсатор, 330 нФ, 275 В (пер. ток) C1.C2
3 1 Roederstein VW0222MCMBFOK Конденсатор, 2200 пФ, 275 В (пер. ток) C3
4 2 Wma MKP10 Конденсатор, 0.1 мкФ, 400В (пост. ток) C4,C20
5 3 Panasonic ECU-V1H103KBM Конденсатор, 0.01 мкФ, SMT1206 C5,C6,C13
6 4 Panasonic ECU-V1H104KBM Конденсатор, 0.1 мкФ, SMT 1206 C7,C10,C16,C17
7 1     Конденсатор, 22 мкФ, 50 В C8
8 1 Nichicon UPB2W220MHH Конденсатор, 22 мкФ, 450V ~, 105C C9
9 1     Конденсатор, 0.15 мкФ, 50 В C11
10 2     Конденсатор, 0.47 мкФ, 50 В C12,C15
11 1 Panasonic ECU-V1H471KBM Конденсатор, 470 пФ, SMT 1206 C14
12 1     Конденсатор, 4.7 мкФ, 25 В =, 105C C18
13 1 Vitramon 1812A102KXE Конденсатор, 1 нФ, 1 кВ, SMT 1812 C19
14 1 RG Allen 1200PPJA103J09B1 Конденсатор, 0.01 мкФ, 1200 В, 5%tol. C21
15 3 Diodes LL4148 Диод, 1N4148.SMTDL35 D1, 05,06
16 2 International Rectifier 10BF60 Диод, SMT SMB D2, D4
17 1 Diodes BZT52-C7V5DITR Диод, туннельный, 7.5 В, SMT SOD123 03
18 1 Linfinity LX1562IDM Микросхема корректора мощности IC1
19 1 International Rectifier IR2157 Микросхема драйвера - контроллера балласта IC2
20 2 RG Allen RGA-97641 Индуктивность, 2x10 мГн, 0.7 A L1,L2
21 1 RG Allen TEF25S-H220 Индуктивность, 1.0 мГн, 2.8 A L3 катушка
22 1 RG Allen 974070-1 Магнитный сердечник L3
23 1 RG Allen CEF25S-H2250 Индуктивность, 2.0 мГн, 2.5 A, 5% tol. L4 катушка
24 1 RG Allen 974080-1 Магнитный сердечник L4
25 1 International Rectifier IRF840 МОП-транзистор M1
26 2 Intetnational Rectifier IRF830 МОП-транзистор M2,M3
27 6 Panasonic ERJ-8GEYJ330KV Сопротивление, 330 кОм, SMT 1206 R1, R2, R3, R5, R6, R7
28 1 Panasonic ERJ-8GEYJ7.5KV Сопротивление, 7.5 кОм, SMT 1206 R4
29 1 Panasonic ERJ-8GEYJ240KV Сопротивление, 240 кОм, SMT 1206 R8
30 1 Panasonic ERJ-8GEYJ5.6KV Сопротивление, 5.6 кОм, SMT 1206 R9
31 1 Panasonic ERJ-8GEYJ680KV Сопротивление, 680 кОм, SMT 1206 R10
32 1     Сопротивление, 120 кОм, 1/2 Вт R11
33 2 Panasonic ERJ-8GEYJ100V Сопротивление, 100 Ом, SMT 1206 R12
34 2 Panasonic ERJ-8GEYJ100KV Сопротивление, 100 кОм, SMT 1206 R13, R20
35 1 Dale CW-1/2 Сопротивление, 0.3 Ом, 1/2 Вт, номинал 1/4 Вт R14
36 1 Panasonic ERJ-8GEYJ56KV Сопротивление, 56 кОм, SMT 1206 R15
37 2 Panasonic ERJ-8GEYJ22KV Сопротивление, 22 кОм, SMT 1206 R16,R17
38 1     Сопротивление, 1.1 МОм, 1/4 Вт R18
39 1 Panasonic ERJ-8GEYJ68KV Сопротивление, 68 кОм, SMT 1206 R19
40 1 Panasonic ERJ-8GEYJ3.3KV Сопротивление, 3.3 кОм, SMT 1206 R21
41 1 Panasonic ERJ-8GEYJ22V Сопротивление, 22 Ом, SMT 1206 R22
42 1     Сопротивление, 560 кОм, 1/4 Вт R23
43 1     Сопротивление, 22 Ом, 1/4 Вт R24
44 1 Panasonic ERJ-8GEYJ1KV Сопротивление, 1 кОм, SMT 1206 R25
45 1     Сопротивление, 0.6 Ом, 1/2 Вт R26
46 1     Сопротивление, 33 Ом, 1 Вт R27
47 1 Panasonic ERJ-8GEYJ820KV Сопротивление, 820 кОм, SMT 1206 R28
48 2 Panasonic ERJ-8GEYJ680KV Сопротивление, 680 кОм, SMT 1206 R29, R30
49 1     Сопротивление, 220 кОм, 1/4 Вт R31
50 1 Panasonic ERZ-V05D471 Сопротивление, нелинейное, варистор RV1
Всего 69        

Коррекция коэффициента мощности

Узел коррекции коэффициента мощности состоит из контроллера коэффициента мощности LinFinity Microelectronics LX1562 (IC1), МОП-транзистора M1, индуктивности L3, диода D2, конденсатора C9 и дополнительных чувствительных и управляющих элементов (см. принципиальную схему). Эта микросхема была выбрана из-за минимального количества дополнительных элементов, низкого тока запуска и мощного усилителя сигнала рассогласования. В схеме реализована топология для пошагового повышения и регулирования напряжения на шине постоянного тока при питании синусоидальным током (низкий суммарный коэффициент гармоник), совпадающим по фазе с напряжением питания сети переменного тока (высокий коэффициент мощности). Схема узла коррекции коэффициента мощности взята из технического описания LinFinity Microelectronics LX1562. Там же содержатся описание работы микросхемы LX1562 и советы по конструированию схем с ее использованием.

Управление балластом

Основным элементом узла управления балластом является микросхеме управления балластами IR2157 (IC2 на демонстрационной плате). IR2157 содержит генератор, высоковольтный полумостовой драйвер затворов, и схему защиты от неисправности лампы. Блок схема IR2157 изображена на Рис. 1, а ее фазовая диаграмма приведена на Рис. 2. Далее подробно описывается схема организации всех режимов работы балласта.

Рис. 1. Принципиальная схема IR2157

Рис. 2. Фазовая диаграммаIR2157

Режим запуска

Когда на балласт подается напряжение питания, начинает повышаться напряжение на контакте VIN микросхемы IC1 (LX1562) и контакте VCC микросхемы IC2 (IR2157). Напряжение на IC1 возникает вследствие подачи на резистор R11 выпрямленного напряжения сети переменного тока. Когда для IC1 достигается нижний порог блокировки нарастания пониженного напряжения, она начинает генерировать колебания и включает управление МОП-транзистором М1, который управляет напряжением на шине постоянного тока и повышает его до 400 В. Полное описание работы микросхемы IC1 приведено в техническом описании Linfinity Microelectronics LX1562.

Микросхема IC2 запитана выпрямленным выпрямленным напряжением сети переменного тока через пусковой резистор R23. Во время запуска, когда напряжение на контакте VCC микросхемы IC2 не превышает порог блокировки нарастающего пониженного напряжения (11.4 В), микросхема IC2 блокирована по пониженному напряжению и работает в режиме малой мощности. Режим малой мощности позволяет использовать маломощный пусковой резистор большого номинала (R23). Когда напряжение на IC2 достигает порога блокировки, включается генератор (при условии отсутствия неисправностей), управляющий выходными МОП-транзисторами полумостовой схемы (М2 и М3). Когда в полумостовой схеме генерируются колебания, конденсатор C19, диоды D5 и D6 и резистор R27 образуют контур демпфирования и зарядового насоса, который ограничивает время нарастания и спада на выходе полумостовой схемы, а также обеспечивает ток для зарядки конденсатора С18 до напряжение на контакте VCC микросхемы IC2 (приблизительно 15.6 В). Номиналы резистора R23 и конденсатора C18 выбраны таким образом, что IC2 не начинает генерировать до тех пор, пока не заканчивается процесс регулировки и повышения напряжения на шине. Причиной этого является то, что если напряжение на шине при повышенном потенциале нестабильно, поджиг управляемой балластом лампы может произойти преждевременно, если произойдет скачок напряжения, когда IC2 находится в пусковом режиме. На Рис. 3 показаны осциллограммы пускового напряжения на шине и контактах VIN микросхемы IC1 и VCC микросхемы IC2 и напряжения на выходе полумостовой схемы.

Рис. 3
Верхняя осциллограмма: напряжение на контакте VCC микросхемы IC2
Вторая осциллограмма сверху: напряжение на контакте VIN микросхемы IC1
Третья осциллограмма сверху: напряжение на выходе полумостовой схемы
Нижняя осциллограмма: напряжение на шине

Режим подогрева

Когда заканчивается режим блокировки пониженного напряжения на балластном сопротивлении, включается режим подогрева. На этой стадии генератор микросхемы IC2 уже включен и сигнал с выхода полумостовой схемы подается на резонансную цепь нагрузки (лампы). Схема генератора микросхемы IC2 аналогична схемам генераторов, применяемых во многих известных ШИМ регуляторах напряжения, и состоит из времязадающего конденсатора и заземленного резистора. Резисторы R16 и R19 задают ток, который определяет время линейного нарастания на конденсаторе C14, а резистор R21 определяет время линейного спада. Время линейного спада на C14 - это пауза между снятием напряжения на контактах LO (HO) и подачей напряжения на контакты HO (LO) микросхемы IC2 (управляюшие сигналы затворов транзисторов полумоста). Частота генерации в режиме подогрева выбирается таким образом, что напряжение на контактах лампы оказывается ниже минимального напряжения, необходимого для поджига лампы, и, в то же время, в течение периода подогрева обеспечивает ток, достаточный для разогрева электродов до необходимой температуры эмиссии. В режиме предварительного подогрева разогрев ламповых электродов осуществляется при постоянном значении силы тока. Осциллограмма на Рис. 4 показывает ток через электроды лампы, а на Рис. 5 показано напряжение на электродах в режимах нормального пуска, подогрева и поджига линейно изменяющимся сигналом и в рабочем режиме работы балласта.

Рис. 4. Ток через электроды лампы в режимах запуска, подогрева, поджига линейно изменяющимся сигналом и в рабочем режиме (500 мА/дел.)

Рис. 5. Напряжение на электродах лампы в режимах запуска, подогрева, поджига линейно изменяющимся сигналом и в рабочем режиме

На Рис. 6 представлен график зависимости частоты колебаний в полумостовой схеме от времени для всех нормальных режимов работы: режимов подогрева и поджига линейно изменяющимся сигналом и рабочего режима. Как видно из Рис. 6, существует начальная пусковая частота, значительно превышающая частоту в установившемся режиме подогрева, который быстро завершается. Эта начальная пусковая частота задается элементами C13 и R17. Это сделано, чтобы обеспечить ограничение напряжения на электродах лампы при запуске ниже минимального напряжения поджига лампы. Если при возникновении генерации в полумостовой схеме напряжение на электродах лампы достаточно велико, происходит видимая вспышка в лампе, чего следует избегать. Это режим холодного поджига лампы, который может уменьшить срок ее службы. Осциллограмма напряжения на электродах лампы при запуске приведена на Рис. 7 и 8. На Рис. 7 показано напряжение на лампе без высокой начальной пусковой частоты, в то время как на Рис. 8 показано напряжение на лампе при запуске с высокой начальной частотой.

Рис.6 Зависимоть частота генерации от времени, нормальные условия работы

Рис. 7. Типичное напряжение на лампе при fзап = fподогрева



Рис. 8. Улучшенное напряжение на лампе при fзап > f подогрева

Длительность режима подогрева также как и любого другого режима работы балласта определяется напряжением на контакте СРН микросхемы IC2.

При завершении режима блокировки работы при пониженном напряжении начинается режим предварительного подогрева и внутренний источник тока через контакт СРН начинает заряжать конденсатор С11. Балласт продолжает оставаться в режиме подогрева до тех пор пока напряжение на контакте СРН микросхемы IC2 не достигнет порога 4В необходимого для перехода в режим поджига.

Режим поджига линейно изменяющимся сигналом

Когда режим подогрева заканчивается (4 В < контакт CPH " 5.1 В), балласт переключается в режим поджига, и частота линейно уменьшается до частоты поджига. Линейное изменение частоты завершается при выключении внутреннего МОП-транзистора с открытым стоком, соединенным с контактом RPH микросхемы IC2 (см. Рис. 1, Принципиальная схема IR2157). Резистор R19 больше не соединен параллельно с резистором R16. Частота уменьшается не скачком, а скорее экспоненциально, благодаря наличию конденсатора C12, заземленного последовательно через резистор R19. Длительность этого изменения частоты определяется постоянной времени RC-контура, состоящего из конденсатора C12 и резистора R19. В конце этого режима частота минимальна и определяется резистором R16 и конденсатором C14. Во время этого уменьшения частоты напряжение на лампе увеличивается по мере того, как частота приближается к значению резонансной частоты LC-цепи нагрузки, до тех пор, пока оно не превысит напряжения поджига и не произойдет поджиг лампы. На Рис. 9 показано линейное уменьшение напряжения на лампе и напряжение на конденсаторе C12. Заметим, что резкое падение напряжения на лампе означает, что поджиг лампы произошел. Заметим также, что напряжение на конденсаторе C12 все еще растет даже после поджига лампы, что означает, что частота все еще падает до окончательного минимального значения частоты поджига. Эта минимальная частота соответствует абсолютному максимуму напряжения поджига, необходимому для поджига лампы в любых условиях.

Рис. 9
Верхняя осциллограмма: напряжение на конденсаторе С12 в режиме поджига линейно изменяющимся сигналом.
Нижняя осциллограмма: напряжение на лампе в режиме поджига линейно изменяющимся сигналом.

Во время режима поджига линейно изменяющимся сигналом напряжение на контакте CPH микросхемы IC2 продолжает линейно расти до тех пор, пока оно не достигнет порога включения рабочего режима (5.1 В).

В начале режима поджига линейно изменяющимся сигналом также начинается контроль перегрузки по току. Полное описание контроля перегрузки по току приведено в разделе, посвященном режиму работы при неисправности.

Рабочий режим

В конце режима поджига линейно изменяющимся сигналом (контакт CPH > 5.1 В) балласт переключается в рабочий режим. В этот момент значение частоты изменяется до значения рабочей частоты. Рабочая частота определяется параллельным соединением резисторов R16 и R20 и конденсатора C14. Резистор R20 подсоединен параллельно при включении внутреннего МОП-транзистора с открытым стоком, соединенного с контактом RUN микросхемы IC2 (см. Рис. 1, Принципиальная схема IR2157). При переходе в рабочий режима также начинается контроль тока для предотвращения перехода в режим пониженного токопотребления. Полное описание контроля пониженного тока дано в разделе, посвященном работе при наличии неисправностей. На Рис. 10 показаны сигналы на контактах CPH, RPH и RUN микросхемы IC2 в режимах запуска, подогрева, поджига линейно изменяющимся сигналом и в рабочем режиме.

Рис. 10.
Верхняя осциллограмма: контакт CPH микросхемы IC2.
Средняя осциллограмма: контакт RPH микросхемы IC2.
Нижняя осциллограмма: контакт RUN микросхемы IC2.

Частота в рабочем режиме такова, что лампа работает в режиме номинальной мощности, рекомендованной производителем. Рабочая частота резонансного выходного каскада лампы при выбранных номиналах элементов определяется выражением

где

L = индуктивность резонансной цепи лампы (L4) (H)
C = емкость резонансной цепи лампы (C21)(F)
PLamp = мощность лампы в рабочем режиме (W)
VLamp = амплитуда напряжения на лампе в рабочем режиме (V)

На Рис. 11 показано напряжение на лампе, а на Рис. 12 - ток, протекающий через лампу в режимах запуска, подогрева, поджига линейно изменяющимся сигналом и в рабочем режиме.

Рис. 11. Напряжение на лампе в режимах запуска, подогрева, поджига линейно изменяющимся сигналом и в рабочем режиме

Рис. 12. Ток через лампу в режимах запуска, подогрева, поджига линейно изменяющимся сигналом и в рабочем режиме (100 мА/дел.)

Нормальное отключение

Нормальное отключение происходит при отключении переменного напряжения питания от балласта. Когда это происходит, напряжение на контакте VDC микросхемы IC2 падает ниже порога отключения питания (3 В) и микросхема IC2 отключается управляемым образом. Генератор прекращает работать, отключаются управляющие выводы полумостовой схемы (LO и HO), и конденсаторы C11, C12, C13 и C14 разряжаются. Микросхема IC2 переходит также в режим блокировки по пониженному напряжению / режим микромощности, и напряжение на шине начинает исчезать.

Работа при наличии неисправностей

Режим работы при наличии неисправностей осуществляется, когда при обнаружении неисправности лампы отключается драйвер балласта. Заметим, что когда балласт работает в этом режиме , узел корректора мощности еще работает, и напряжение на шине остается на стабилизированном уровне. Есть несколько типов неисправностей лампы, при которых балласт переключается в режим режим работы при наличии неисправности. Могут быть обнаружены следующие неисправности: работа близко к резонансу (ниже резонанса, недостаточный ток), жесткое переключение и перегрузка по току. Резистор R26 в выводе истока нижнего МОП-транзистора (М3) служит датчиком тока для полумостовой схемы, который используется для обнаружения неисправностей лампы. В процессе работы, когда в полумостовой схеме генерируются колебания, на R26 подается напряжение во всех случаях, когда включен нижний МОП-транзистор М3 или выключен верхний МОП-транзистор М2. Величина этого напряжения непосредственно зависит от тока, протекающего через резонансный контур лампы. На Рис. 13 показано напряжение на резисторе R26 в нормальном рабочем режиме, а на Рис. 14 - напряжение на лампе при завершении режимов подогрева и поджига линейно изменяющимся сигналом и в начале рабочего режима. На Рис. 13 показаны также стробирующие сигналы управления затвором нижнего МОП-транзистора (контакт LO) и верхнего МОП-транзистора (контакт HO-VS).

Рис. 13. Нормальный рабочий режим.
Верхняя осциллиграмма - напряжение на R26.
Средняя осциллограмма - напряжение на контакте LO IC2.
Нижняя осциллограмма - напряжение на контакте HO-VS IC2.

Рис. 14. Нормальный поджиг лампы. Напряжение на лампе в конце режима подогрева, в режиме запуска линейно меняющимся сигналом и начале рабочего режима.

В процессе режима подогрева напряжение на резисторе R26 не измеряется. Однако, в конце режима подогрева (в начале режима поджига линейно меняющимся напряжением) инициируются схемы обнаружение жесткого переключения и перегрузки по току. Если после этого в любой момент величина напряжения на резисторе R26 поднимается выше порогового значения обнаружения перегрузки по току (1 В) на контакте CS микросхемы IC2, генерируется сигнал неисправности лампы, выходные МОП-транзисторы полумостовой схемы (М2 и М3) отключаются, и балласт переходит в режим работы при неисправности. Это может произойти, если не удается поджечь лампу или разомкнута цепь верхнего электрода. В случае неудачного поджига лампы ток через полумостовую схему увеличивается, и, таким образом, напряжение на резисторе R26 растет и превосходит порог перегрузки по току, генерируя сигнал неисправности. На Рис. 15 показано напряжение на резисторе R26 и напряжение на лампе в момент, когда балластное сопротивление обнаруживает неудавшийся поджиг и переходит в режим работы при неисправности. Рис. 16 показывает напряжение на лампе в конце режима подогрева и в режиме поджига линейно меняющимся сигналом в случае неудачного поджига лампы. Если разомкнута цепь верхнего электрода, происходит жесткое переключение на выходе полумостовой схемы, и каждый раз, когда включается нижний МОП-транзистор (М3), генерируется импульс мощного тока, и, таким образом, возникает импульс высокого напряжения на резисторе R26, сигнализирующий о неисправности. Рис. 17 иллюстрирует процесс жесткого переключения. На Рис. 18 показано напряжение на лампе при режиме подогрева и в начале режима поджига линейно меняющимся сигналом в процессе жесткого переключения при обнаружении неисправности. Балласт продолжает работать в режиме при неисправности до тех пор, пока не будет выключено и опять включено напряжение питания или заменена лампа.

Рис. 15. Неудачный поджиг лампы (цепи электродов исправны).
Верхняя осциллограмма - напряжение на R26.
Нижняя осциллограмма - напряжение на лампе.

Рис. 16. Неудачный поджиг лампы (цепи электродов исправны). Напряжение на лампе в конце режима подогрева и в режиме поджига линейно меняющимся сигналом.



Рис. 17. Жесткое переключение (разомкнута цепь верхнего электрода).
Верхняя осциллограмма - напряжение на R26.
Средняя осциллограмма - напряжение на контакте LO IC2.
Нижняя осциллограмма - напряжение на контакте HO-VS IC2.

Рис. 18. Жесткое переключение (разомкнута цепь верхнего электрода). Напряжение на лампе в режиме подогрева и начале режима поджига линейно изменяющимся сигналом, когда обнаруживается неисправность лампы.

По окончании режима поджига линейно изменяющимся сигналом (в начале рабочего режима) инициируется схема обнаружение условий работы вблизи резонанса (ниже резонанса, недостаточный ток). Обнаружение условий работы вблизи резонанса осуществляется путем синхронного измерения напряжения на резисторе R26, которое зависит от тока, протекающего через нижний МОП-транзистор (М3) непосредственно перед его отключением. Если это напряжение ниже порогового напряжения на контакте CS микросхемы IC2 для работы вблизи резонанса (0.2 В), генерируется сигнал неисправности лампы и балласт переключается в режим работы при неисправности. Это может произойти, если частота генерации оказывается слишком близкой к резонансной частоте цепи нагрузки, и ток в цепи нагрузки оказывается слишком близок к нулю. Рис. 19 иллюстрирует условия работы вблизи резонанса (ниже резонанса), когда напряжение на резисторе R26 падает ниже порогового значения напряжения на контакте CS микросхемы IC2 (0.2 В).

Рис. 19.Работа вблизи резонанса (ниже резонанса). Верхняя осциллограмма: напряжение на R26. Нижняя осциллограмма: выходное напряжение полумостовой схемы.

Резисторы R28, R29, R30, R31 и конденсатор C15 образуют схему делителя/фильтра, которая используется для обнаружения разрыва в цепи нижнего электрода лампы и/или отсутствия лампы. При нормальных условиях напряжение на C15 приблизительно равно нулю. Однако, если размыкается цепь нижнего электрода или вынимается лампа, напряжение на C15 растет выше порогового значения на контакте SD микросхемы IC2 (2 В) и сигнализирует о возникновении неисправности. Этот сигнал переключает балласт в режим работы при неисправности. Балласт продолжает работать в этом режиме до тех пор, пока не будет выключено и опять включено питание или вставлена лампа. Если происходит замена неисправной лампы на лампу с исправным нижним электродом, напряжение на контакте SD микросхемы IC2 опять падает ниже 2 В, и балласт перезапускается. Повторное выключение и включение питания также используется для перезапуска балласта при любых неисправностях лампы. Балласт последовательно проходит режимы подогрева, поджига линейно изменяющимся сигналом и рабочий режим при каждом перезапуске. Заметим, что узел микросхемы IC2 связанный с контактом SD продолжает функционировать во всех режимах работы.

Еще одной причиной переключения балласта в режим работы при неисправности является падение переменного напряжения в сети питания ниже приблизительно 90 В (эфф.). Резисторы R15, R18 и конденсатор C10 образуют схему делителя/фильтра, соединенную с контактом VDC микросхемы IC2 и используемую для обнаружения падения напряжения питания ниже допустимого уровня. Это происходит при выключении/включении питания и частичном нарушении электроснабжения. Контакт VDC микросхемы IC2 сигнализирует о неисправности, если напряжение на нем падает ниже 3 В, и происходит отключение балласта. Балласт остается отключенным до тех пор, пока напряжение на контакте VDC не поднимется выше 5.1 В. Если это происходит и нет других неисправностей, то балласт полностью проходит через режимы подогрева, поджига линейно изменяющимся сигналом и рабочий режим. Как и в случае контакта SD микросхемы IC2, контакт VDC этой микросхемы продолжает функционировать во всех режимах работы балласта.

Схема печатной платы

Схема печатной платы приведена на Рис. 20 и 21 (обратите внимание, что масштаб не соблюден). На Рис. 20 показан вид демонстрационной платы IR2157 сверху (сквозной) с указанием мест установки элементов, требующих сквозных отверстий. На Рис. 21 показан вид панели снизу с указанием мест установки элементов, монтируемых на поверхности. При конструировании монтажной платы применялись приемы для уменьшения влияния паразитных сопротивлений и индуктивностей на работу схем управления. Были предприняты меры для разделения цепей мощного тока и наиболее чувствительных цепей управления. Об этом свидетельствуют раздельные цепи обратных связей чувствительных элементов управления синхронизацией генератора и управления лампой с контактом COM микросхемы IC2. Такая же схемотехника использована для соединений вспомогательных элементов микросхемы IC1. Каждая микросхема имеет развязывающий конденсатор, непосредственно примыкающий к контактам подвода питания. Это необходимо для минимизации влияния мощных токов переключения, протекающих через балластное сопротивление и вызванных модуляцией напряжения питания микросхем. В каждом из случаев применен керамический конденсатор малой емкости (0.1 мкФ), соединенный параллельно с электролитическим конденсатором большей емкости.

Рис. 20



Рис. 21

Кулинария




 
Впервые? | Реклама на сайте | О проекте | Карта портала
тел. редакции: +7 (995) 900 6254. e-mail:info@eust.ru
©1998-2023 Рынок Микроэлектроники